Glazed Steel Doors
SilentDoor Rw® Glass EI30
Fire protection and thermal insulation for public places
Model Reference: SD-GEI30
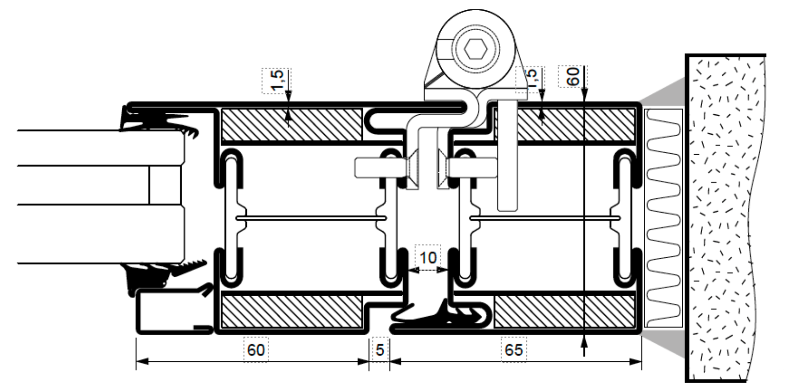
The SilentDoor Rw® EI30 is not just a versatile doorset; it stands out as one of our most comprehensive all-rounder solutions on the market today. Designed meticulously to provide reliable performance across a trio of essential properties—security, fire protection, and thermal insulation—it adapts seamlessly to a variety of environments and requirements. Available in both single-leaf and double-leaf configurations, this doorset is particularly well-suited for applications that demand moderate security, effective acoustic insulation, and robust fire safety measures. With its innovative features, the SilentDoor Rw® EI30 is sure to meet the diverse needs of any project, offering peace of mind and substantial protection in various settings.
Key Features of SilentDoor Rw® Glass Ei30
- Security Rating (RC3): RC3: Compliant with Resistance Class 3 standards, this doorset offers strong protection against break-ins. It is designed to resist forced entry attempts with heavy-duty tools, making it suitable for secure areas in commercial and public buildings.
- Fire Resistance (EI30): EI30: Provides 30 minutes of fire resistance, helping to contain fire and smoke, contributing to safer evacuation and firefighting efforts.
- Acoustic Performance: 39 dB (Rw): Effective sound insulation reduces noise transmission, ensuring acoustic privacy and comfort within different building environments.
- Thermal Performance: U-Value: Features a thermal performance with a U-value of <1.5 W/m².K, ensuring effective insulation, reducing heat loss, and contributing to energy efficiency.
- Air, Wind, and Water Tightness (AEV):
A2-E1A-VC2: Provides reliable performance in terms of air tightness, wind resistance, and water resistance, ensuring durability in various environmental conditions.
Suitable applications (recommendations are as follows)
SilentDoor Rw® Glass Ei30
- Commercial Buildings: Ideal for office buildings, retail spaces, and other commercial areas where a combination of security, fire safety, and acoustic performance is required.
- Public Buildings: Suitable for use in educational institutions, healthcare facilities, and other public buildings where fire protection, security, and energy efficiency are essential.
- Residential Buildings: Perfect for high-end residences or multi-family housing units where safety and comfort are priorities.
Learn more on how much 5dB makes a difference, when choosing a SilentDoor RW®
HERE

Door Openings
RIGHT
LEFT




