Glazed Steel Doors
SilentDoor Rw® QuietGlass Plus
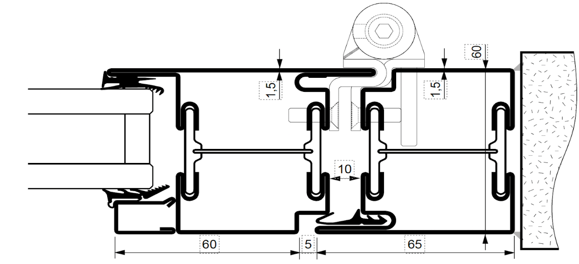
A Thermal Break & High Acoustics Performance
Model Reference: SD-GP
The SilentDoor Rw® QuietGlass Plus iis a premium glazed doorset designed to deliver exceptional performance in acoustic insulation, thermal efficiency, and structural durability. This doorset is available in both single-leaf and double-leaf configurations, making it versatile for various high-performance applications. It combines modern design with robust functionality, making it ideal for spaces where noise control, energy efficiency, and quality construction are essential.
Key Features of SilentDoor Rw® QuietGlass Plus
- Acoustic Performance: The SilentDoor Rw® QuietGlass Plus offers superior sound insulation to help maintain a peaceful environment:
- Single Leaf: Provides a noise reduction rating of 44 dB (Rw), making it ideal for spaces where maintaining quietness is essential, such as offices or private rooms.
- Double Leaf: Delivers a noise reduction rating of 43 dB (Rw), suitable for larger openings or entryways where enhanced acoustic performance is required.
- Burglarproof: RC3 – Offers robust resistance against forced entry, enhancing security for sensitive areas.
- U-Value: Features a highly efficient thermal performance with a U-value of <1.5 W/m².K, ensuring effective insulation and contributing to energy savings by reducing heat loss.
Suitable applications (recommendations are as follows)
SilentDoor Rw® Glass QuietGlass Plus
- Office Environments: Ideal for professional settings such as meeting rooms, executive offices, and conference rooms where sound privacy and energy efficiency are critical.
- High-End Residential: Perfect for luxury homes and apartments where both acoustic and thermal performance contribute to a comfortable living environment.
- Public Buildings: Suitable for libraries, educational institutions, and other public spaces where maintaining a quiet, energy-efficient environment is essential.
Learn more on how much 5dB makes a difference, when choosing a SilentDoor RW®
HERE

Door Openings
RIGHT
LEFT




